德冠高壓風機特點
高性能:高達2500m3/h的吸氣量和高達780mbar的壓差.
高品質:采用寬壓雙頻,使用零件達到最高要求,運用標準IP55,
F級高效馬達,且通過CE認證,達到最高標準。
低噪音:采用低噪音馬達加一體式的消音設備,噪音極低。
易安裝:可隨時安裝與使用,亦可任意安裝于水平或垂直方向。
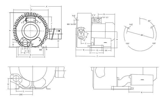
德冠品牌高壓風機尺寸表:

|
型號 |
相數 |
A |
B |
C |
D |
E |
F |
G |
H |
J |
K |
L |
M |
N |
O |
P |
Q |
ΦR |
|
2DG 920 H37 |
3 |
615 |
607 |
103.5 |
360 |
415 |
752 |
345 |
300 |
197 |
533 |
|
39 |
230 |
92 |
100 |
150 |
15 |
|
型號 |
相數 |
S |
U |
V |
V’ |
V1 |
V1’ |
YxZ |
X-holes |
ΦX |
|
2DG 920 H37 |
3 |
21 |
M12 x30 |
4xM40x1.5 |
|
|
|
M12 x30 |
51.4°/120°/240° |
Φ490 |
|
型號 |
相數 |
A' |
C' |
F' |
F'’ |
H' |
T |
|
|
|
|
2DG 920 H37 |
3 |
780 |
15 |
786 |
634 |
234 |
117 |
|
|
|
德冠品牌高壓風機產品參數表:
|
型號 |
相數 |
段數 |
頻率 |
額定功率 |
額定電壓 |
額定電流 |
最大流量 |
最大壓力 |
最大壓力 |
噪聲 |
重量 |
|
Hz |
KW |
V |
A |
m3/h |
吸力 |
吹力 |
dB |
Kg |
|
2DG 920 H37 |
3 |
2 |
50 |
20 |
345-415V△600-720 |
40.0△23.0 |
1110 |
-440mbar |
500mbar |
74 |
204 |
|
60 |
23 |
380-480V△660-720 |
42.0△24.2 |
1310 |
-400mbar |
430mbar |
84 |
204 |
*另注:以上參數是指風機在正常工作情況下,允許的最大工作吸力/吹力。